产品中心
直齿转角行星减速机
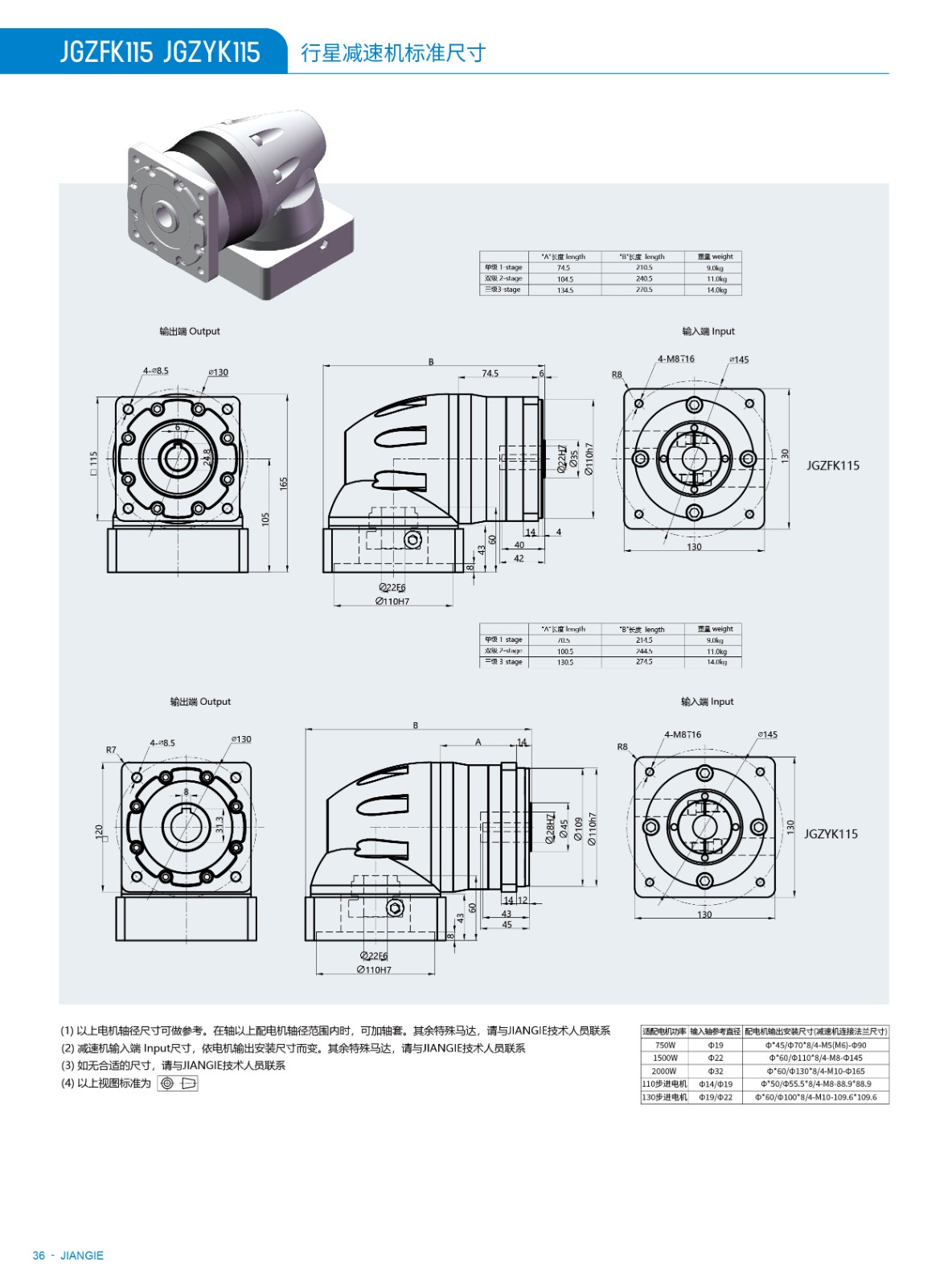
JGZFK115 JGZYK115

JGZFK115 JGZYK115

类型:直齿转角行星减速机

 
详情:

36.jpg

电话:18921520788(华东区域)13712164883(华南区域)

邮箱:jiangsong@jiangie.com

Q Q:

公司地址: 广东省东莞市寮步镇寮步香园东路60号6栋601室

Copyright © 2026 粤ICP备2023144627号

  • 扫描关注